Каталог
Каталог Написать в WhatsApp
Мотоэкипировка

Выхлопная система КВАДРОЦИКЛА STELS ATV 800 GT

Выхлопная система КВАДРОЦИКЛА STELS ATV 800 GT в Самаре: актуальный каталог, цены, фото, описание. Купите выхлопная система квадроцикла stels atv 800 gt в кредит – оформите заявку онлайн за 1 минуту!

Оригинальные запчасти

Артикул НАИМЕНОВАНИЕ Кол-во деталей в узле Примечание Наличие Цена Аналоги Фото
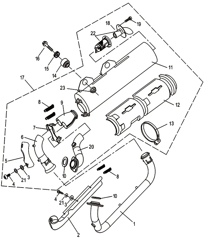
1 LN000353 Труба выхлопная, передняя часть 18111-158-0000

Под заказ

1

Под заказ

уточнить

1 290

Купить
2 LU043590 Щиток защитный приемной трубы глушителя (длинный), сталь 18102-158-0000

Под заказ

1

Под заказ

уточнить

Купить
3 LU030186 Щиток защитный приемной трубы глушителя (короткий), сталь 18104-178-0000

Под заказ

1

Под заказ

уточнить

Купить
4 LU043591 Труба выхлопная, задняя часть 18151-158-0000

Под заказ

1

Под заказ

уточнить

Купить
5 LU043592 Пластина прижимная глушителя, сталь 18119-158-0000

Под заказ

1

Под заказ

уточнить

Купить
6 LU043593 Тройник выхлопной трубы, сталь 18153-158-0000

Под заказ

1

Под заказ

уточнить

Купить
7 LU043600 Щиток защитный глушителя, сталь 18154-158-0000

Под заказ

1

Под заказ

уточнить

Купить
8 LN000373 Приемная труба глушителя в сборе 18150-158-0000

Под заказ

1

Под заказ

уточнить

9 650

Купить
9 LN000372 Глушитель 18160-158-0000(L)

Под заказ

1

Под заказ

уточнить

2 560

Купить
10 LU021950 Винт с цилиндр.головк.и шестигр.шлицем M6х1.0х 10мм, сталь 70.1-6-10,A050296-43,A9-02-08

Под заказ

3
M6X1.0X10L
M6X1.0X10L

Под заказ

уточнить

240

Купить
11 LU043601 Труба выхлопная 2 18152-158-0000

Под заказ

1

Под заказ

уточнить

Купить
12 LU024615 Шайба стопорная (гровер) 6мм, сталь 9550-060

Под заказ

4

Под заказ

уточнить

20

Купить

Нулевая цена не означает отсутствие товара. Оформите заказ, и менеджер сообщит вам цену и наличие товара, предварительно запросив их у поставщика

Главная Магазины
Корзина0
Профиль