Мы используем cookie для наилучшего представления нашего сайта. Подробнее об этом в Политике конфиденциальности.
Ок

Сызрань

Ваш город:
Сызрань (Самарская область)?
Нет
Да
Каталог
Каталог Написать в WhatsApp
Мотоэкипировка

Коленчатый вал, поршни и шатуны 2-х тактного ПЛМ MERCURY 40 M Серийный номер от 8064750 и выше

Коленчатый вал, поршни и шатуны 2-х тактного ПЛМ MERCURY 40 M Серийный номер от 8064750 и выше в Самаре: актуальный каталог, цены, фото, описание. Купите коленчатый вал, поршни и шатуны 2-х тактного плм mercury 40 m серийный номер от 8064750 и выше в кредит – оформите заявку онлайн за 1 минуту!

Оригинальные запчасти

Артикул НАИМЕНОВАНИЕ Кол-во деталей в узле Примечание Наличие Цена Аналоги Фото
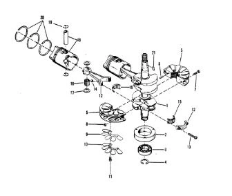
1 9073A1 CRANKSHAFT ASSEMBLY

Под заказ

1

Под заказ

уточнить

Купить
2 78308A1 RETAINER ASSEMBLY, BALL BEARING

Под заказ

1

Под заказ

уточнить

Купить
3 63742T Шарикоподшипник (BEARING-BALL)

Под заказ

1

Под заказ

уточнить

Купить
4 63634 RETAINING RING, BALL BEARING

Под заказ

1

Под заказ

уточнить

Купить
5 7238A2 MAIN BEARING ASSEMBLY, VALVE TYPE

Под заказ

1

Под заказ

уточнить

Купить
6 45774 NUT, LINK ROD SWIVEL

Под заказ

2

Под заказ

уточнить

Купить
7 56007A1 REED SET, MATCHED-MAIN BEARING

Под заказ

1

Под заказ

уточнить

Купить
8 20055 SCREW, REED STOP MOUNTING - BRONZE MAIN BEARING

Под заказ

12

Под заказ

уточнить

Купить
9 8101A3 CONNECTING ROD AND CAP ASSEMBLY

Под заказ

2

Под заказ

уточнить

Купить
10 91012 Болт шатуна (SCREW-SPEC @5)

Под заказ

4

Под заказ

уточнить

Купить
11 62596A1 BEARING ASSEMBLY

Под заказ

2

Под заказ

уточнить

Купить
12 47270 Иголка подшипника (BRG-NEEDLE @200)

Под заказ

58

Под заказ

уточнить

Купить
13 8M0032839 WASHER @5

Под заказ

4

Под заказ

уточнить

Купить
14 9137A12 Поршень стд. (PISTON ASSY-STD)

Под заказ

2

Под заказ

уточнить

Купить
15 9137A13 PISTON AND PISTON PIN ASSEMBLY (2 RING) (OVERSIZE)

Под заказ

0

Под заказ

уточнить

Купить
16 9137A14 Поршень ремонтный (PISTON ASSY-.030)

Под заказ

0

Под заказ

уточнить

Купить
17 857196 Стопорное кольцо (RING-LOCK @15)

Под заказ

4

Под заказ

уточнить

Купить
18 78816A12 Кольца поршневые комплект 12шт (RING SET-12 PCS)

Под заказ

1

Под заказ

уточнить

Купить
19 78811A12 RING, PISTON (.015 O.S.)

Под заказ

0

Под заказ

уточнить

Купить
20 88392A12 RING, PISTON (.030 O.S.)

Под заказ

0

Под заказ

уточнить

Купить
21 45554 KEY, FLYWHEEL DRIVE

Под заказ

1

Под заказ

уточнить

Купить

Нулевая цена не означает отсутствие товара. Оформите заказ, и менеджер сообщит вам цену и наличие товара, предварительно запросив их у поставщика

Главная Магазины
Корзина0
Профиль