Каталог
Каталог Написать в WhatsApp
Мотоэкипировка

Блок цилиндров и картер 2-Х ТАКТНОГО ПЛМ MERCURY 50EO Серийный номер от 0P325500 и выше

Блок цилиндров и картер 2-Х ТАКТНОГО ПЛМ MERCURY 50EO Серийный номер от 0P325500 и выше в Самаре: актуальный каталог, цены, фото, описание. Купите блок цилиндров и картер 2-х тактного плм mercury 50eo серийный номер от 0p325500 и выше в кредит – оформите заявку онлайн за 1 минуту!

Оригинальные запчасти

Артикул НАИМЕНОВАНИЕ Кол-во деталей в узле Примечание Наличие Цена Аналоги Фото
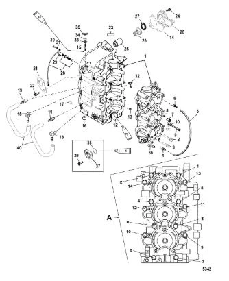
1 827953T7 Блок цилиндров (CYLINDER BLOCK)

Под заказ

1

Под заказ

уточнить

Купить
2 81742780 SCREW (M8 X 80 HEX FLANGE HEAD)

Под заказ

8

Под заказ

уточнить

Купить
3 81742730 Болт (SCREW (M8 X 30))

Под заказ

6

Под заказ

уточнить

Купить
4 426585 Перепускной клапан (VALVE-CHECK)

Под заказ

1

Под заказ

уточнить

Купить
5 892024122 Шланг обратного клапана (TUBING-20 FEET)

Под заказ

1

Под заказ

уточнить

Купить
6 426232 Клапан (CHECK VALVE (PRESS-IN))

Под заказ

1

Под заказ

уточнить

Купить
7 812888A2 Втулка (CARRIER ASSY)

Под заказ

2

Под заказ

уточнить

Купить
8 42657A4 Перепускной клапан (VALVE ASSY-CHECK )

Под заказ

2

Под заказ

уточнить

Купить
9 400212 Гайка (NUT)

Под заказ

1

Под заказ

уточнить

Купить
10 42942 CAP, NYLON-ADJUSTING

Под заказ

1

Под заказ

уточнить

Купить
11 43044 Штифт (PIN, Dowel - Without Hole (.375 x .625))

Под заказ

1

Под заказ

уточнить

Купить
12 8M0084653 Шпонка (PIN - DOWEL)

Под заказ

3

Под заказ

уточнить

Купить
13 827284 Прокладка (GASKET)

Под заказ

1

Под заказ

уточнить

Купить
14 8161949 Шпилька (STUD, M6 x 44)

Под заказ

2

Под заказ

уточнить

Купить
15 185981 PLUG, Pipe (.375-18)

Под заказ

1

Под заказ

уточнить

Купить
16 328022 Заглушка (PIPE PLUG)

Под заказ

1

Под заказ

уточнить

Купить
17 19725 Колено (ELBOW)

Под заказ

2

Под заказ

уточнить

Купить
18 827251A1 COVER

Под заказ

1

Под заказ

уточнить

Купить
19 850897 LIFTING EYE

Под заказ

1

Под заказ

уточнить

Купить
20 40011149 SCREW, (M8 x 25)

Под заказ

4

Под заказ

уточнить

Купить
21 889735 Корпус термостата (CARRIER)

Под заказ

1

Под заказ

уточнить

Купить
22 850055001 Термостат (THERMOSTAT-110)

Под заказ

1

Под заказ

уточнить

Купить
23 854639001 Сальник (SEAL @2)

Под заказ

1

Под заказ

уточнить

Купить
24 787992 Датчик (SENDER-TEMP)

Под заказ

1

Под заказ

уточнить

Купить
25 889733 Корпус датчика температуры (RETAINER)

Под заказ

1

Под заказ

уточнить

Купить
26 878609 Болт (SCREW, (#10-16 x .600))

Под заказ

1

Под заказ

уточнить

Купить
27 56681 Шайба (WASHER, SWITCH BOX ATTACHING SCREW)

Под заказ

1

Под заказ

уточнить

Купить
28 996642 Топливный фиттинг (ELBOW)

Под заказ

1

Под заказ

уточнить

Купить
29 49221 Шайба

Под заказ

2

Под заказ

уточнить

Купить
30 69056 Шайба

Под заказ

2

Под заказ

уточнить

Купить
31 816872 Гайка-барашек (WING NUT)

Под заказ

2

Под заказ

уточнить

Купить
32 56759 Штуцер (FITTING)

Под заказ

1

Под заказ

уточнить

Купить
33 8129962 Заглушка (COVER)

Под заказ

1

Под заказ

уточнить

Купить
34 48462 Уплотнительное кольцо (O RING)

Под заказ

1

Под заказ

уточнить

Купить
35 40011108 Болт (SCREW)

Под заказ

2

Под заказ

уточнить

Купить
36 852067T98 Двигательный блок в сборе (POWERHEAD)

Под заказ

1

Под заказ

уточнить

Купить
37 828553A97 Набор прокладок 40/50(3 цил) топл. (GASKET SET)

Под заказ

1

Под заказ

уточнить

Купить

Нулевая цена не означает отсутствие товара. Оформите заказ, и менеджер сообщит вам цену и наличие товара, предварительно запросив их у поставщика

Главная Магазины
Корзина0
Профиль