Мы используем cookie для наилучшего представления нашего сайта. Подробнее об этом в Политике конфиденциальности.
Ок

Сызрань

Ваш город:
Сызрань (Самарская область)?
Нет
Да
Каталог
Каталог Написать в WhatsApp
Мотоэкипировка

Масляный насос 4-Х ТАКТНОГО ПЛМ MERCURY 115 Серийный номер от 01B366823 и выше

Масляный насос 4-Х ТАКТНОГО ПЛМ MERCURY 115 Серийный номер от 01B366823 и выше в Самаре: актуальный каталог, цены, фото, описание. Купите масляный насос 4-х тактного плм mercury 115 серийный номер от 01b366823 и выше в кредит – оформите заявку онлайн за 1 минуту!

Оригинальные запчасти

Артикул НАИМЕНОВАНИЕ Кол-во деталей в узле Примечание Наличие Цена Аналоги Фото
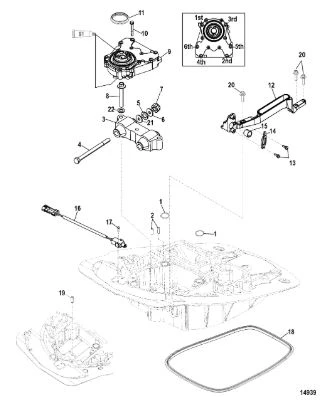
1 62705001 Уплотнительное кольцо (O RING)

Под заказ

2

Под заказ

уточнить

Купить
2 858580001 PIN, Dowel

Под заказ

2

Под заказ

уточнить

Купить
3 881900T03 Аммортизатор двойной (MOUNT)

Под заказ

1

Под заказ

уточнить

Купить
4 898487 SCREW, (M12 x 175)

Под заказ

2

Под заказ

уточнить

Купить
5 32834 Шайба (WASHER @5)

Под заказ

2

Под заказ

уточнить

Купить
6 896963 Гайка (NUT)

Под заказ

2

Под заказ

уточнить

Купить
7 8M0036722 Болт М8х50 (SCREW @2)

Под заказ

4

Под заказ

уточнить

Купить
8 897206T03 Маслонасос (OIL PUMP)

Под заказ

1

Под заказ

уточнить

Купить
9 82483211 SCREW, (M6 x 50)

Под заказ

6

Под заказ

уточнить

Купить
10 8M0036343 Сальник (SEAL-OIL)

Под заказ

1

Под заказ

уточнить

Купить
11 897961T01 BRACKET ASSEMBLY, Shift Link

Под заказ

1

Под заказ

уточнить

Купить
12 42975 Шпонка (SCREW-DRIVE)

Под заказ

2

Под заказ

уточнить

Купить
13 98889 Фиксатор (LATCH)

Под заказ

1

Под заказ

уточнить

Купить
14 824015 Заглушка (CUP)

Под заказ

1

Под заказ

уточнить

Купить
15 8M0052939 Кнопка нейтрали (SWITCH)

Под заказ

1

Под заказ

уточнить

Купить
16 88075020 Болт (SCREW)

Под заказ

2

Под заказ

уточнить

Купить
17 8M0043168 SEAL

Под заказ

1

Под заказ

уточнить

Купить
18 23784 Втулка

Под заказ

1

Под заказ

уточнить

Купить
19 82130020 SCREW, (M6 x 20)

Под заказ

3

Под заказ

уточнить

Купить
20 8M0001538 Шайба(WASHER,(.940 x 1.50 x 0.65) Stainless Steel)

Под заказ

2

Под заказ

уточнить

Купить
21 897534A07 Набор прокладок (GASKET SET, Powerhead)

Под заказ

1

Под заказ

уточнить

Купить
22 8M8033014 PH L4NA 4S

Под заказ

1

Под заказ

уточнить

Купить
23 897148A08 LONG BLOCK ASSEMBLY, (115)

Под заказ

1

Под заказ

уточнить

Купить

Нулевая цена не означает отсутствие товара. Оформите заказ, и менеджер сообщит вам цену и наличие товара, предварительно запросив их у поставщика

Главная Магазины
Корзина0
Профиль