Каталог
Каталог Написать в WhatsApp
Мотоэкипировка

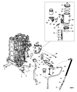
Блок цилиндров / масляный радиатор-GEN II 4-Х ТАКТНОГО ПЛМ MERCURY 135 Серийный номер от 1B517159 и выше

Блок цилиндров / масляный радиатор-GEN II 4-Х ТАКТНОГО ПЛМ MERCURY 135 Серийный номер от 1B517159 и выше в Самаре: актуальный каталог, цены, фото, описание. Купите блок цилиндров / масляный радиатор-gen ii 4-х тактного плм mercury 135 серийный номер от 1b517159 и выше в кредит – оформите заявку онлайн за 1 минуту!

Оригинальные запчасти

Артикул НАИМЕНОВАНИЕ Кол-во деталей в узле Примечание Наличие Цена Аналоги Фото
1 892404A05 DEFLECTOR ASSEMBLY, Water

Под заказ

2

Под заказ

уточнить

Купить
2 885518A02 FITTING ASSEMBLY

Под заказ

1

Под заказ

уточнить

Купить
3 62701 Уплотнительное кольцо (O-RING(39)

Под заказ

2

Под заказ

уточнить

Купить
4 8M0103805 Болт (SCREW @2)

Под заказ

1

Под заказ

уточнить

Купить
5 888988011 Хомут (CLAMP, (38.1 mm))

Под заказ

1

Под заказ

уточнить

Купить
6 888930003 HOSE

Под заказ

1

Под заказ

уточнить

Купить
7 888988008 Хомут (CLAMP, (34.6 mm))

Под заказ

1

Под заказ

уточнить

Купить
8 892864T04 Термостат (THERMOSTAT HSG)

Под заказ

1

Под заказ

уточнить

Купить
9 8M0005958 Уплотнительное кольцо термостата (O-RING)

Под заказ

1

Под заказ

уточнить

Купить
10 888988001 Хомут (CLAMP, (36.1 mm))

Под заказ

1

Под заказ

уточнить

Купить
11 896059001 HOSE, Thermostat

Под заказ

1

Под заказ

уточнить

Купить
12 888988007 CLAMP, (42.5 mm)

Под заказ

1

Под заказ

уточнить

Купить
13 8M0062950 Фильтр топливный с корпусом (FUEL FILTER)

Под заказ

1

Под заказ

уточнить

Купить
14 8M0122423 Топливный фильтр (FILTER-FUEL)

Под заказ

1

Под заказ

уточнить

Купить
15 892356 CONNECTOR

Под заказ

1

Под заказ

уточнить

Купить
16 863156 GRAB TAB

Под заказ

1

Под заказ

уточнить

Купить
17 8M0087061 HOSE

Под заказ

1

Под заказ

уточнить

Купить
18 892147A01 BRACKET ASSEMBLY

Под заказ

1

Под заказ

уточнить

Купить
19 897126 BRACKET

Под заказ

1

Под заказ

уточнить

Купить
20 822003 Втулка (BUSHING)

Под заказ

2

Под заказ

уточнить

Купить
21 834985 Втулка (GROMMET)

Под заказ

2

Под заказ

уточнить

Купить
22 65567 WASHER, TOP COWL CATCH (UPPER)

Под заказ

2

Под заказ

уточнить

Купить
23 82129125 Болт (SCREW)

Под заказ

2

Под заказ

уточнить

Купить
24 8M0103824 SCREW @2

Под заказ

3

Под заказ

уточнить

Купить
25 8M0103820 SCREW @2

Под заказ

1

Под заказ

уточнить

Купить
26 8M0045343 HOSE ASSMEBLY, Fuel Inlet

Под заказ

1

Под заказ

уточнить

Купить
27 8M0132389 Охладитель (OIL COOLER MODULE)

Под заказ

1

Под заказ

уточнить

Купить
28 891953 PLUG, (18 mm)

Под заказ

2

Под заказ

уточнить

Купить
29 8M0039516 O-RING

Под заказ

1

Под заказ

уточнить

Купить
30 8M0039464 RING, Retaining

Под заказ

1

Под заказ

уточнить

Купить
31 877767K01 Фильтр масляный (+FILTER - OIL, VE)

Под заказ

1

Под заказ

уточнить

Купить
32 8M0041064 THERMOSTAT

Под заказ

1

Под заказ

уточнить

Купить
33 8M0034568 GASKET

Под заказ

1

Под заказ

уточнить

Купить
34 8M0041014 SCREW, (M6 x 18)

Под заказ

6

Под заказ

уточнить

Купить
35 897559 Кронштейн (CLIP)

Под заказ

1

Под заказ

уточнить

Купить
36 8M0103807 Болт (SCREW @2)

Под заказ

2

Под заказ

уточнить

Купить
37 896499A08 LONG BLOCK ASSEMBLY

Под заказ

1

Под заказ

уточнить

Купить
38 896142A07 Набор прокладок (GASKET SET)

Под заказ

1

Под заказ

уточнить

Купить

Нулевая цена не означает отсутствие товара. Оформите заказ, и менеджер сообщит вам цену и наличие товара, предварительно запросив их у поставщика

Главная Магазины
Корзина0
Профиль