Мы используем cookie для наилучшего представления нашего сайта. Подробнее об этом в Политике конфиденциальности.
Ок

Сызрань

Ваш город:
Сызрань (Самарская область)?
Нет
Да
Каталог
Каталог Написать в WhatsApp
Мотоэкипировка

Блок цилиндров 4-Х ТАКТНОГО ПЛМ MERCURY 40 Серийный номер от 1C049739 и выше

Блок цилиндров 4-Х ТАКТНОГО ПЛМ MERCURY 40 Серийный номер от 1C049739 и выше в Самаре: актуальный каталог, цены, фото, описание. Купите блок цилиндров 4-х тактного плм mercury 40 серийный номер от 1c049739 и выше в кредит – оформите заявку онлайн за 1 минуту!

Оригинальные запчасти

Артикул НАИМЕНОВАНИЕ Кол-во деталей в узле Примечание Наличие Цена Аналоги Фото
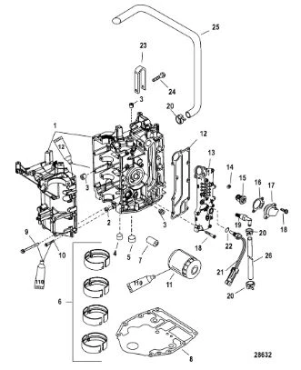
1 893500T02 Блок цилиндров (CYLINDER BLOCK ASSEMBLY)

Под заказ

1

Под заказ

уточнить

Купить
2 825010 PIN, Dowel

Под заказ

2

Под заказ

уточнить

Купить
3 384073 PLUG, Pipe (.500-14)

Под заказ

1

Под заказ

уточнить

Купить
4 416223 PLUG, Pipe (.750-14)

Под заказ

1

Под заказ

уточнить

Купить
5 893631 Вкладыш коленвала 1 половина! (BEARING MAIN BROWN)

Под заказ

8

Под заказ

уточнить

Купить
6 893631001 Вкладыш коленвала 1 половина! (BEARING)

Под заказ

8

Под заказ

уточнить

Купить
7 893631002 Вкладыш коленвала 1 половина! (BEARING)

Под заказ

8

Под заказ

уточнить

Купить
8 822625 NIPPLE

Под заказ

1

Под заказ

уточнить

Купить
9 892319001 Прокладка (GASKET)

Под заказ

1

Под заказ

уточнить

Купить
10 82506182 SCREW (M8 X 1.25 X 82)

Под заказ

8

Под заказ

уточнить

Купить
11 88348935 SCREW, (M6 x 35)

Под заказ

8

Под заказ

уточнить

Купить
12 8M0065104 Фильтр масляный (FILTR OIL MPP)

Под заказ

1

Под заказ

уточнить

Купить
13 8M4500244 Прокладка (GASKET OVER-3 CYL)

Под заказ

1

Под заказ

уточнить

Купить
14 8M0118193 COVER-EXHAUST MACHINING - 3CYL

Под заказ

1

Под заказ

уточнить

Купить
15 825212A1 Термостат (THERMOSTAT KIT)

Под заказ

1

Под заказ

уточнить

Купить
16 824853 Прокладка (GASKET)

Под заказ

1

Под заказ

уточнить

Купить
17 8M0008243 Крышка термостата (COVER)

Под заказ

1

Под заказ

уточнить

Купить
18 8M0021770 STRAINER, Water

Под заказ

1

Под заказ

уточнить

Купить
19 889575 Датчик температуры (+SENSOR-TEMP.)

Под заказ

1

Под заказ

уточнить

Купить
20 627021 Уплотнительное кольцо (O RING)

Под заказ

1

Под заказ

уточнить

Купить
21 893697 LIFTING EYE

Под заказ

1

Под заказ

уточнить

Купить
22 857139 SCREW, (M8 x 35)

Под заказ

1

Под заказ

уточнить

Купить
23 77653101 HOSE, (48.00 Inches Bulk) (Cut to 23.5 Inches)

Под заказ

1

Под заказ

уточнить

Купить
24 8M0108349 Шланг (HOSE-70 INCH)

Под заказ

1

Под заказ

уточнить

Купить
25 859352A02 Набор прокладок (GASKET SET)

Под заказ

1

Под заказ

уточнить

Купить
26 893714T05 POWERHEAD

Под заказ

1

Под заказ

уточнить

Купить

Нулевая цена не означает отсутствие товара. Оформите заказ, и менеджер сообщит вам цену и наличие товара, предварительно запросив их у поставщика

Главная Магазины
Корзина0
Профиль