Каталог
Каталог Написать в WhatsApp
Мотоэкипировка

Адапторная плита 4-Х ТАКТНОГО ПЛМ MERCURY 80 Серийный номер от 1B366823 и выше

Адапторная плита 4-Х ТАКТНОГО ПЛМ MERCURY 80 Серийный номер от 1B366823 и выше в Самаре: актуальный каталог, цены, фото, описание. Купите адапторная плита 4-х тактного плм mercury 80 серийный номер от 1b366823 и выше в кредит – оформите заявку онлайн за 1 минуту!

Оригинальные запчасти

Артикул НАИМЕНОВАНИЕ Кол-во деталей в узле Примечание Наличие Цена Аналоги Фото
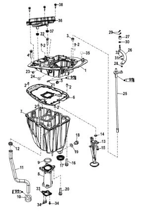
1 881912T02 Адапторная плита (PLATE-ADAPTOR)

Под заказ

1

Под заказ

уточнить

Купить
2 23784 Втулка

Под заказ

6

Под заказ

уточнить

Купить
3 27132 Втулка (BUSHING)

Под заказ

1

Под заказ

уточнить

Купить
4 817519A2 CHECK VALVE DRAIN

Под заказ

2

Под заказ

уточнить

Купить
5 19565002 GROMMET

Под заказ

1

Под заказ

уточнить

Купить
6 8M0005405 Прокладка поддона (GASKET, Adaptor Plate)

Под заказ

1

Под заказ

уточнить

Купить
7 858572T01 Крышка картера (SUMP-OIL)

Под заказ

1

Под заказ

уточнить

Купить
8 898468A01 TUBE KIT, Exhaust

Под заказ

1

Под заказ

уточнить

Купить
9 881295 Уплотнительное кольцо (O-RING)

Под заказ

1

Под заказ

уточнить

Купить
10 89417004 GROMMET

Под заказ

1

Под заказ

уточнить

Купить
11 8M0026130 Трубка (TUBE-WATER NI EDP, LONG)

Под заказ

1

Под заказ

уточнить

Купить
12 8M0026129 TUBE-WATER

Под заказ

1

Под заказ

уточнить

Купить
13 814080001 Уплотнитель водозаборной трубки (SEAL)

Под заказ

1

Под заказ

уточнить

Купить
14 858571T OIL PICK-UP TUBE

Под заказ

1

Под заказ

уточнить

Купить
15 859082 Уплотнительное кольцо (O RING)

Под заказ

1

Под заказ

уточнить

Купить
16 8248327 SCREW

Под заказ

12

Под заказ

уточнить

Купить
17 8M0039073 Уплотнитель (SEAL)

Под заказ

1

Под заказ

уточнить

Купить
18 8288181 Заглушка (PLUG-DRAIN)

Под заказ

1

Под заказ

уточнить

Купить
19 828816 Прокладка (GASKET)

Под заказ

1

Под заказ

уточнить

Купить
20 82483213 SCREW, (M6 x 60)

Под заказ

4

Под заказ

уточнить

Купить
21 888823001 Фиксатор (SHIFT DETENT ASSEMBLY)

Под заказ

1

Под заказ

уточнить

Купить
22 898442 SCREW, (M8 x 50)

Под заказ

4

Под заказ

уточнить

Купить
23 888840 SHIFT LINK

Под заказ

1

Под заказ

уточнить

Купить
24 888917 Ролик (ROLLER)

Под заказ

1

Под заказ

уточнить

Купить
25 891658 BUSHING

Под заказ

1

Под заказ

уточнить

Купить
26 82053M Шпонка (PIN, COTTER)

Под заказ

2

Под заказ

уточнить

Купить
27 888832 WASHER

Под заказ

1

Под заказ

уточнить

Купить
28 69056 Шайба

Под заказ

1

Под заказ

уточнить

Купить
29 26953 COTTER PIN, CLEVIS PIN

Под заказ

1

Под заказ

уточнить

Купить
30 898844 SEAL, Exhaust Tube (Included with Exhaust Tube)

Под заказ

1

Под заказ

уточнить

Купить
31 8M0103805 Болт (SCREW @2)

Под заказ

3

Под заказ

уточнить

Купить
32 48323 PLUG, CONTROL SHAFT

Под заказ

1

Под заказ

уточнить

Купить
33 898103T91 Заполнитель (PLENUM, Exhaust)

Под заказ

1

Под заказ

уточнить

Купить
34 8M0001457 Сальник (SEAL@2)

Под заказ

2

Под заказ

уточнить

Купить
35 892073002 Болт (SHOULDER SCREW, (M6))

Под заказ

3

Под заказ

уточнить

Купить
36 897534A07 Набор прокладок (GASKET SET, Powerhead)

Под заказ

1

Под заказ

уточнить

Купить
37 8M8033014 PH L4NA 4S

Под заказ

1

Под заказ

уточнить

Купить
38 897148A08 LONG BLOCK ASSEMBLY, (115)

Под заказ

1

Под заказ

уточнить

Купить

Нулевая цена не означает отсутствие товара. Оформите заказ, и менеджер сообщит вам цену и наличие товара, предварительно запросив их у поставщика

Главная Магазины
Корзина0
Профиль